
EN
— 產品中心 —
全國服務電話 075528990558 地址:深圳市龍崗區南聯向銀路71號匯川科技園華鵬艾偉大廈A棟
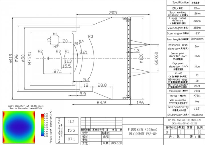
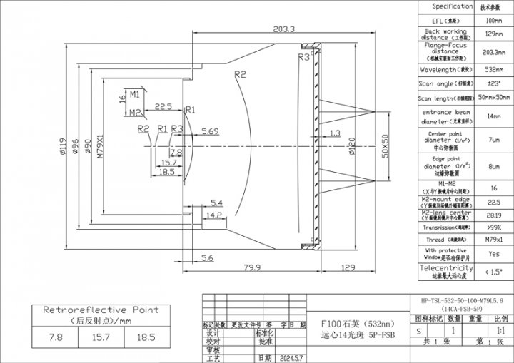
華鵬艾偉這款場鏡為30光斑焊接場鏡,材質是K9玻璃,場鏡是把準直的激光束聚焦于一點,提高激光光束的能量密度,利用激光的高能量對材料進行各種切割、打標、焊接、清洗及表面處理等各……
產品詳情
華鵬艾偉這款場鏡為30光斑焊接場鏡,材質是K9玻璃,場鏡是把準直的激光束聚焦于一點,提高激光光束的能量密度,利用激光的高能量對材料進行各種切割、打標、焊接、清洗及表面處理等各種材料加工,同時當入射的激光光束方向改變時,場鏡仍能保持相對尺寸與能量密度不變的光斑,使激光光束可以對不同材料位置的點進行加工。場鏡與快速精確改變激光光束方向的振鏡相組合,就可以實現對材料的高速精密的加工與處理。

激光場鏡的作用:
一、將準直的激光光束聚焦于更小區域的焦點上,提高激光光束的能量密度,提高激光加工的能力與效率。
二、將振鏡對激光光束方向的改變轉換成焦點在加工材料位置上的改變,實現高速精密的激光加工與處理。
| 商品編碼 | 商品名稱 | 規格型號 | 計量單位 |
| D4.012 | YAG場鏡(中大1064nm)WD=973 | 600*600F=900-20-85*1 | 個 |
| D4.013 | 石英YAG場鏡(中大1064nm)WD=2021 | 1350*1350 F=1900-20-85*1 Silica A | 個 |
| D4.014 | 石英光纖場鏡(中大1064nm)WD=185 | 透1080+450nm 110*110 F=170-20-85*1 Silica B | 個 |
| D5.001 | YAG焊接場鏡 WD=185 | 100*100F=170-30-102*1 | 個 |
| D5.002 | YAG焊接場鏡 WD=262 | 140*140F=210-30-102*1 | 個 |
| D5.003 | YAG焊接場鏡 WD=312 | 160*160F=254-30-102*1 | 個 |
| D5.004 | YAG焊接場鏡 WD=373 | 200*200F=330-30-102*1 | 個 |
| D5.005 | YAG焊接場鏡 WD=262 | 140*140F=210-30-95*1 | 個 |
| D5.006 | YAG焊接場鏡 WD=185 | 100*100F=170-30-95*1 | 個 |
| D5.007 | YAG焊接場鏡 WD=312 | 160*160F=254-30-95*1 | 個 |
| D5.008 | YAG焊接場鏡 WD=373 | 200*200F=330-30-95*1 | 個 |
以上只是焊接場鏡30光斑K9光學玻璃簡單介紹,如需要更詳細的焊接場鏡30光斑K9光學玻璃資料信息,請聯系華鵬艾偉對應銷售人員。
相關推薦
華鵬艾偉是一家專業的激光打標機配件、激光焊接機配件、激光切割機配件等激光全套配件綜合解決方案品牌供應商和批發商!
地址:深圳市龍崗區南聯向銀路71號匯川科技園華鵬艾偉大廈A棟 TEL:0755-28990558